轴承专区
Bearings Center
N 217 ECM *轴承-SKF N 217 ECM *轴承尺寸、图纸、价格
SKF N 217 ECM *轴承
| 产品名称: | N 217 ECM *轴承 | 品牌: | SKF |
|---|---|---|---|
| 类型: | SKF轴承 > 滚动轴承 > 圆柱滚子轴承 | ||
| 描述: | N 217 ECM *轴承是【SKF轴承 > 滚动轴承 > 圆柱滚子轴承】的型号,主要用在建筑机械、印刷机械、提升机、轧钢机辊颈、破碎机、制铁制钢机械、成形机、音像设备、堆取料机、焊接机器人等各大领域 | ||
电话/微信:138-8949-5179
SKF N 217 ECM *轴承详细信息
N 217 ECM *轴承是【SKF轴承 > 滚动轴承 > 圆柱滚子轴承】的型号,主要用在建筑机械、印刷机械、提升机、轧钢机辊颈、破碎机、制铁制钢机械、成形机、音像设备、堆取料机、焊接机器人等各大领域。
SKF N 217 ECM *轴承详细参数
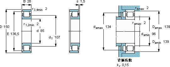
| 圆柱滚子轴承, 单列, N 设计 | ||||||||||||
| 主要数据尺寸 | 基本负荷额定值 | 疲劳负荷限值 | 额定速度 | 体积 | 型号 | 适宜的斜挡圈 | ||||||
| 动态 | 静态 | 参照速度 | 限制速度 | 型号 | ||||||||
| d | D | B | C | C0 | Pu | * - SKF Explorer 轴承 | ||||||
| mm | kN | kN | r/min | kg | - | - | ||||||
| 85 | 150 | 28 | 190 | 200 | 24,5 | 4800 | 5300 | 1,90 | N 217 ECM * | - | ||
SKF N 217 ECM *轴承尺寸图纸

