轴承专区
Bearings Center
LS 150190轴承-SKF LS 150190轴承尺寸、图纸、价格
SKF LS 150190轴承
| 产品名称: | LS 150190轴承 | 品牌: | SKF |
|---|---|---|---|
| 类型: | SKF轴承 > 滚动轴承 > 圆柱滚子推力轴承 | ||
| 描述: | LS 150190轴承是【SKF轴承 > 滚动轴承 > 圆柱滚子推力轴承】的型号,主要用在飞机喷气式发动机、机床主轴、变速器、汽车、铁路车辆车轴、耕耘机、燃机、饮料设备、平地机、坦克等各大领域 | ||
电话/微信:138-8949-5179
SKF LS 150190轴承详细信息
LS 150190轴承是【SKF轴承 > 滚动轴承 > 圆柱滚子推力轴承】的型号,主要用在飞机喷气式发动机、机床主轴、变速器、汽车、铁路车辆车轴、耕耘机、燃机、饮料设备、平地机、坦克等各大领域。
SKF LS 150190轴承详细参数
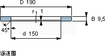
| 轴承圈 - 滚针推力轴承,圆柱滚子推力轴承, 滚道圈,LS系列 | ||||||||
| 尺寸 | 体积 | 型号 | ||||||
| d | D | B | d1 | D1 | r1, r1,2 | |||
| mm | kg | - | ||||||
| 150 | 190 | 9,5 | - | - | 1 | 0,80 | LS 150190 | |
SKF LS 150190轴承尺寸图纸

