轴承专区
Bearings Center
KMTA 38轴承-SKF KMTA 38轴承尺寸、图纸、价格
SKF KMTA 38轴承
| 产品名称: | KMTA 38轴承 | 品牌: | SKF |
|---|---|---|---|
| 类型: | SKF轴承 > 滚动轴承 > 轴承附件 | ||
| 描述: | KMTA 38轴承是【SKF轴承 > 滚动轴承 > 轴承附件】的型号,主要用在家用电器、油泵、变速器、机床主轴、造纸机械、石油钻机、塔吊、破碎、解体机、塔式车库等各大领域 | ||
电话/微信:138-8949-5179
SKF KMTA 38轴承详细信息
KMTA 38轴承是【SKF轴承 > 滚动轴承 > 轴承附件】的型号,主要用在家用电器、油泵、变速器、机床主轴、造纸机械、石油钻机、塔吊、破碎、解体机、塔式车库等各大领域。
SKF KMTA 38轴承详细参数
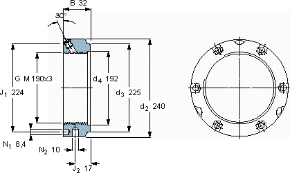
| 带锁紧销的KMTA精密锁紧定螺母 | ||||||||||
| 螺纹尺寸 | 尺寸 | 轴向负荷 | 体积 | 型号 | 平头螺钉 | |||||
| 承载能力 | 锁定螺母 | 适宜的板手 | 尺寸 | 推荐的紧固扭矩 | ||||||
| d3 | B | G | 静态 | |||||||
| - | mm | - | kN | kg | - | - | - | Nm | ||
| 190 | 225 | 32 | M 190x3 | 1280 | 4,10 | KMTA 38 | B 230-245 | M 10 | 35 | |
SKF KMTA 38轴承尺寸图纸

