轴承专区
Bearings Center
6407轴承-SKF 6407轴承尺寸、图纸、价格
SKF 6407轴承
| 产品名称: | 6407轴承 | 品牌: | SKF |
|---|---|---|---|
| 类型: | SKF轴承 > 滚动轴承 > 深沟球轴承 | ||
| 描述: | 6407轴承是【SKF轴承 > 滚动轴承 > 深沟球轴承】的型号,主要用在家用电器、空气压缩机、提升机、大型农业机械、造纸机械、汽车转向销、塔吊、烟草机械、掘进机、雷达等各大领域 | ||
电话/微信:138-8949-5179
SKF 6407轴承详细信息
6407轴承是【SKF轴承 > 滚动轴承 > 深沟球轴承】的型号,主要用在家用电器、空气压缩机、提升机、大型农业机械、造纸机械、汽车转向销、塔吊、烟草机械、掘进机、雷达等各大领域。
SKF 6407轴承详细参数
| 深沟球轴承, 单列, 无密封件 | |||||||||||
| 主要数据尺寸 | 基本负荷额定值 | 疲劳负荷限值 | 额定速度 | 体积 | 型号 | ||||||
| 动态 | 静态 | 参照速度 | 限制速度 | ||||||||
| d | D | B | C | C0 | Pu | ||||||
| mm | kN | kN | r/min | kg | - | ||||||
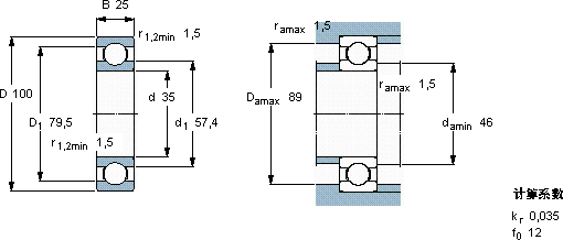
| 35 | 100 | 25 | 55,3 | 31 | 1,29 | 16000 | 10000 | 0,95 | 6407 | ||
SKF 6407轴承尺寸图纸

