轴承专区
Bearings Center
KMTA 24轴承-SKF KMTA 24轴承尺寸、图纸、价格
SKF KMTA 24轴承
| 产品名称: | KMTA 24轴承 | 品牌: | SKF |
|---|---|---|---|
| 类型: | SKF轴承 > 滚动轴承 > 轴承附件 | ||
| 描述: | KMTA 24轴承是【SKF轴承 > 滚动轴承 > 轴承附件】的型号,主要用在各种产业机械、印刷机械、木工机械、轧钢机辊颈、轧钢机齿轮箱座、制铁制钢机械、发电厂、纺织、起重机械、雷达等各大领域 | ||
电话/微信:138-8949-5179
SKF KMTA 24轴承详细信息
KMTA 24轴承是【SKF轴承 > 滚动轴承 > 轴承附件】的型号,主要用在各种产业机械、印刷机械、木工机械、轧钢机辊颈、轧钢机齿轮箱座、制铁制钢机械、发电厂、纺织、起重机械、雷达等各大领域。
SKF KMTA 24轴承详细参数
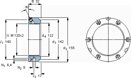
| 带锁紧销的KMTA精密锁紧定螺母 | ||||||||||
| 螺纹尺寸 | 尺寸 | 轴向负荷 | 体积 | 型号 | 平头螺钉 | |||||
| 承载能力 | 锁定螺母 | 适宜的板手 | 尺寸 | 推荐的紧固扭矩 | ||||||
| d3 | B | G | 静态 | |||||||
| - | mm | - | kN | kg | - | - | - | Nm | ||
| 120 | 142 | 32 | M 120x2 | 860 | 1,85 | KMTA 24 | B 155-165 | M 10 | 35 | |
SKF KMTA 24轴承尺寸图纸

