轴承专区
Bearings Center
KMTA 18轴承-SKF KMTA 18轴承尺寸、图纸、价格
SKF KMTA 18轴承
| 产品名称: | KMTA 18轴承 | 品牌: | SKF |
|---|---|---|---|
| 类型: | SKF轴承 > 滚动轴承 > 轴承附件 | ||
| 描述: | KMTA 18轴承是【SKF轴承 > 滚动轴承 > 轴承附件】的型号,主要用在建筑机械、罗茨鼓风机、挖土机履带轮、建筑机械、各类产业用减速机、石油钻机转环、成形机、玩具、凿岩机械、泥炮等各大领域 | ||
电话/微信:138-8949-5179
SKF KMTA 18轴承详细信息
KMTA 18轴承是【SKF轴承 > 滚动轴承 > 轴承附件】的型号,主要用在建筑机械、罗茨鼓风机、挖土机履带轮、建筑机械、各类产业用减速机、石油钻机转环、成形机、玩具、凿岩机械、泥炮等各大领域。
SKF KMTA 18轴承详细参数
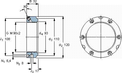
| 带锁紧销的KMTA精密锁紧定螺母 | ||||||||||
| 螺纹尺寸 | 尺寸 | 轴向负荷 | 体积 | 型号 | 平头螺钉 | |||||
| 承载能力 | 锁定螺母 | 适宜的板手 | 尺寸 | 推荐的紧固扭矩 | ||||||
| d3 | B | G | 静态 | |||||||
| - | mm | - | kN | kg | - | - | - | Nm | ||
| 90 | 110 | 32 | M 90x2 | 680 | 1,20 | KMTA 18 | B 120-130 | M 10 | 35 | |
SKF KMTA 18轴承尺寸图纸

