李工:138-8949-5179 刘工:135-0428-8802
型号查询
轴承型号   常见搜索: 6008轴承 6014轴承 6017轴承 6003轴承 6004轴承 688a轴承
型号查询 X

轴承专区

Bearings Center

KMTA 12轴承-SKF KMTA 12轴承尺寸、图纸、价格

SKF KMTA 12轴承

产品名称:KMTA 12轴承 品牌:SKF
类型:SKF轴承 > 滚动轴承 > 轴承附件
描述:KMTA 12轴承是【SKF轴承 > 滚动轴承 > 轴承附件】的型号,主要用在变速器、高频马达、发电机、前轮、轧钢机齿轮箱座、机床主轴、立式电动机、破碎、挖掘机、正面吊等各大领域

 电话/微信:138-8949-5179

SKF KMTA 12轴承详细信息

KMTA 12轴承是【SKF轴承 > 滚动轴承 > 轴承附件】的型号,主要用在变速器、高频马达、发电机、前轮、轧钢机齿轮箱座、机床主轴、立式电动机、破碎、挖掘机、正面吊等各大领域。

SKF KMTA 12轴承详细参数

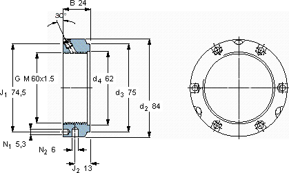
带锁紧销的KMTA精密锁紧定螺母
螺纹尺寸尺寸轴向负荷 体积 型号平头螺钉
承载能力锁定螺母 适宜的板手尺寸推荐的紧固扭矩
d3BG静态
-mm-kNkg---Nm
607524M 60x1.53800,49KMTA 12B 80-90M 818

SKF KMTA 12轴承尺寸图纸

李工:138-8949-5179

刘工:135-0428-8802

地址:辽宁省大连经济技术开发区现代城3栋-13-13号

在线客服系统