李工:138-8949-5179 刘工:135-0428-8802
型号查询
轴承型号   常见搜索: 23136轴承 6006轴承 22222轴承 6004轴承 6304轴承 6008轴承
型号查询 X

轴承专区

Bearings Center

61848轴承-SKF 61848轴承尺寸、图纸、价格

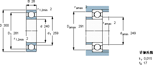
SKF 61848轴承

产品名称:61848轴承 品牌:SKF
类型:SKF轴承 > 滚动轴承 > 深沟球轴承
描述:61848轴承是【SKF轴承 > 滚动轴承 > 深沟球轴承】的型号,主要用在家用电器、燃汽轮机、燃汽轮机、后轮、铁路车辆车轴、起重机吊钩、塔吊、医药设备、强夯机、雷达等各大领域

 电话/微信:138-8949-5179

SKF 61848轴承详细信息

61848轴承是【SKF轴承 > 滚动轴承 > 深沟球轴承】的型号,主要用在家用电器、燃汽轮机、燃汽轮机、后轮、铁路车辆车轴、起重机吊钩、塔吊、医药设备、强夯机、雷达等各大领域。

SKF 61848轴承详细参数

深沟球轴承, 单列, 无密封件
主要数据尺寸基本负荷额定值疲劳负荷限值额定速度体积型号
动态静态参照速度限制速度
dDBCC0Pu
mmkNkNr/minkg-
240300281081503,8400026004,5061848

SKF 61848轴承尺寸图纸

李工:138-8949-5179

刘工:135-0428-8802

地址:辽宁省大连经济技术开发区现代城3栋-13-13号

在线客服系统