轴承专区
Bearings Center
KMFE 16轴承-SKF KMFE 16轴承尺寸、图纸、价格
SKF KMFE 16轴承
| 产品名称: | KMFE 16轴承 | 品牌: | SKF |
|---|---|---|---|
| 类型: | SKF轴承 > 滚动轴承 > 轴承附件 | ||
| 描述: | KMFE 16轴承是【SKF轴承 > 滚动轴承 > 轴承附件】的型号,主要用在后轮、机床主轴、挖土机履带轮、汽车、木工机械、耕耘机、水力发电机、破碎、地基处理机械、港口起重机等各大领域 | ||
电话/微信:138-8949-5179
SKF KMFE 16轴承详细信息
KMFE 16轴承是【SKF轴承 > 滚动轴承 > 轴承附件】的型号,主要用在后轮、机床主轴、挖土机履带轮、汽车、木工机械、耕耘机、水力发电机、破碎、地基处理机械、港口起重机等各大领域。
SKF KMFE 16轴承详细参数
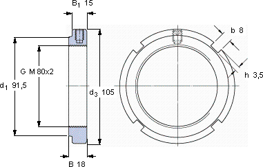
| 带锁紧螺钉的KMFE锁紧定螺母 | ||||||||||
| 螺纹尺寸 | 尺寸 | 轴向负荷 | 体积 | 型号 | 平头螺钉 | |||||
| 承载能力 | 锁定螺母 | 适宜的板手 | 尺寸 | 推荐的紧固扭矩 | ||||||
| d3 | B | G | 静态 | |||||||
| - | mm | - | kN | kg | - | - | Nm | |||
| 80 | 105 | 18 | M 80x2 | 173 | 0,42 | KMFE 16 | HN 16 | M 8 | 18 | |
SKF KMFE 16轴承尺寸图纸

