轴承专区
Bearings Center
1210 EKTN9 + H 210轴承-SKF 1210 EKTN9 + H 210轴承尺寸、图纸、价格
SKF 1210 EKTN9 + H 210轴承
| 产品名称: | 1210 EKTN9 + H 210轴承 | 品牌: | SKF |
|---|---|---|---|
| 类型: | SKF轴承 > 滚动轴承 > 自调心球轴承 | ||
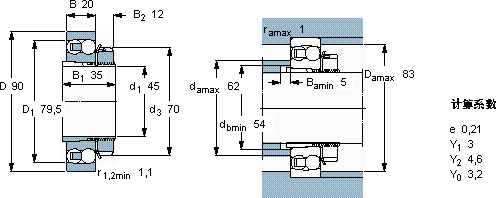
| 描述: | 1210 EKTN9 + H 210轴承是【SKF轴承 > 滚动轴承 > 自调心球轴承】的型号,主要用在仪表、罗茨鼓风机、桥式起重机、建筑机械、印刷机械、制铁制钢机械、碾煤机、陶瓷机械、堆取料机、厨具设备等各大领域 | ||
电话/微信:138-8949-5179
SKF 1210 EKTN9 + H 210轴承详细信息
1210 EKTN9 + H 210轴承是【SKF轴承 > 滚动轴承 > 自调心球轴承】的型号,主要用在仪表、罗茨鼓风机、桥式起重机、建筑机械、印刷机械、制铁制钢机械、碾煤机、陶瓷机械、堆取料机、厨具设备等各大领域。
SKF 1210 EKTN9 + H 210轴承详细参数
| 自调心球轴承, 带紧定套, 无密封件 | ||||||||||
| 主要数据尺寸 | 基本负荷额定值 | 疲劳负荷限值 | 额定速度 | 体积 | 型号 | |||||
| 动态 | 静态 | 参照速度 | 限制速度 | 轴承 + 紧定套 | ||||||
| d1 | D | B | C | C0 | Pu | |||||
| mm | kN | kN | r/min | kg | - | |||||
| 45 | 90 | 20 | 26,5 | 9,15 | 0,48 | 16000 | 10000 | 0,77 | 1210 EKTN9 + H 210 | |
SKF 1210 EKTN9 + H 210轴承尺寸图纸

