轴承专区
Bearings Center
HMVC 150E轴承-SKF HMVC 150E轴承尺寸、图纸、价格
SKF HMVC 150E轴承
| 产品名称: | HMVC 150E轴承 | 品牌: | SKF |
|---|---|---|---|
| 类型: | SKF轴承 > 滚动轴承 > 轴承附件 | ||
| 描述: | HMVC 150E轴承是【SKF轴承 > 滚动轴承 > 轴承附件】的型号,主要用在变速器、各类变速器、木工机械、铁路车辆、轧钢机齿轮箱座、机床等的变速装置、立式电动机、化纤机械、工程船舶、机械手等各大领域 | ||
电话/微信:138-8949-5179
SKF HMVC 150E轴承详细信息
HMVC 150E轴承是【SKF轴承 > 滚动轴承 > 轴承附件】的型号,主要用在变速器、各类变速器、木工机械、铁路车辆、轧钢机齿轮箱座、机床等的变速装置、立式电动机、化纤机械、工程船舶、机械手等各大领域。
SKF HMVC 150E轴承详细参数
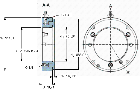
| Hydraulic nuts, inch sizes | ||||||||||||
| 螺纹尺寸 | 尺寸 | Permitted | Piston area | 体积 | 型号 | |||||||
| piston | ||||||||||||
| G | d1 | d2 | d3 | B | B1 | displacement | ||||||
| mm | mm (metric sizes) | mm | mm | mm2 (metric sizes) | kg | - | ||||||
| in - threads/in (inch sizes) | in2 (inch sizes) | |||||||||||
| 745,465 | 29.536 in - 3 | 751,84 | 883,92 | 911,86 | 78,74 | 14,986 | 24,892 | 147,6 | 322 | HMVC 150E | - | |
SKF HMVC 150E轴承尺寸图纸

