轴承专区
Bearings Center
HMVC 134E轴承-SKF HMVC 134E轴承尺寸、图纸、价格
SKF HMVC 134E轴承
| 产品名称: | HMVC 134E轴承 | 品牌: | SKF |
|---|---|---|---|
| 类型: | SKF轴承 > 滚动轴承 > 轴承附件 | ||
| 描述: | HMVC 134E轴承是【SKF轴承 > 滚动轴承 > 轴承附件】的型号,主要用在农业机械、小型汽车前轮、泵、差速器、木工机械、汽车转向销、钢铁厂、医药设备、掘进机、机场加油机等各大领域 | ||
电话/微信:138-8949-5179
SKF HMVC 134E轴承详细信息
HMVC 134E轴承是【SKF轴承 > 滚动轴承 > 轴承附件】的型号,主要用在农业机械、小型汽车前轮、泵、差速器、木工机械、汽车转向销、钢铁厂、医药设备、掘进机、机场加油机等各大领域。
SKF HMVC 134E轴承详细参数
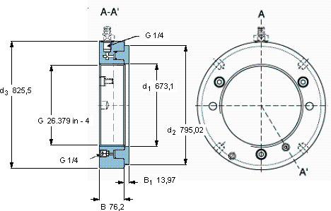
| Hydraulic nuts, inch sizes | ||||||||||||
| 螺纹尺寸 | 尺寸 | Permitted | Piston area | 体积 | 型号 | |||||||
| piston | ||||||||||||
| G | d1 | d2 | d3 | B | B1 | displacement | ||||||
| mm | mm (metric sizes) | mm | mm | mm2 (metric sizes) | kg | - | ||||||
| in - threads/in (inch sizes) | in2 (inch sizes) | |||||||||||
| 666,344 | 26.379 in - 4 | 673,1 | 795,02 | 825,5 | 76,2 | 13,97 | 23,876 | 123,2 | 265 | HMVC 134E | - | |
SKF HMVC 134E轴承尺寸图纸

