轴承专区
Bearings Center
7211 BECBM *轴承-SKF 7211 BECBM *轴承尺寸、图纸、价格
SKF 7211 BECBM *轴承
| 产品名称: | 7211 BECBM *轴承 | 品牌: | SKF |
|---|---|---|---|
| 类型: | SKF轴承 > 滚动轴承 > 角接触球轴承 | ||
| 描述: | 7211 BECBM *轴承是【SKF轴承 > 滚动轴承 > 角接触球轴承】的型号,主要用在变速器、罗茨鼓风机、发电机、建筑机械、轧钢机齿轮箱座、石油钻机转环、立式电动机、陶瓷机械、轻工机械、正面吊等各大领域 | ||
电话/微信:138-8949-5179
SKF 7211 BECBM *轴承详细信息
7211 BECBM *轴承是【SKF轴承 > 滚动轴承 > 角接触球轴承】的型号,主要用在变速器、罗茨鼓风机、发电机、建筑机械、轧钢机齿轮箱座、石油钻机转环、立式电动机、陶瓷机械、轻工机械、正面吊等各大领域。
SKF 7211 BECBM *轴承详细参数
| 角接触球轴承, 单列 | |||||||||||
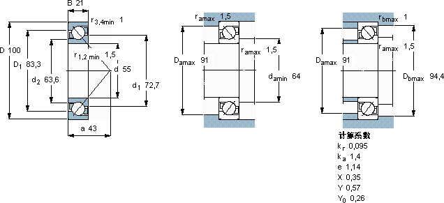
| 主要数据尺寸 | 尺寸 [英寸] | 疲劳负荷限值 | 额定速度 | 体积 | 型号 | ||||||
| 动态 | 静态 | 参照速度 | 限制速度 | ||||||||
| d | D | B | C | C0 | Pu | * - SKF Explorer 轴承 | |||||
| mm | kN | kN | r/min | kg | - | ||||||
| 55 | 100 | 21 | 49 | 40 | 1,66 | 8000 | 8000 | 0,66 | 7211 BECBM * | ||
SKF 7211 BECBM *轴承尺寸图纸

