轴承专区
Bearings Center
HMVC 11E轴承-SKF HMVC 11E轴承尺寸、图纸、价格
SKF HMVC 11E轴承
| 产品名称: | HMVC 11E轴承 | 品牌: | SKF |
|---|---|---|---|
| 类型: | SKF轴承 > 滚动轴承 > 轴承附件 | ||
| 描述: | HMVC 11E轴承是【SKF轴承 > 滚动轴承 > 轴承附件】的型号,主要用在铁路车辆、燃料喷射泵、桥式起重机、齿轮减速装置、轧钢机辊道子、起重机吊钩、冶炼厂、化纤机械、强夯机、正面吊等各大领域 | ||
电话/微信:138-8949-5179
SKF HMVC 11E轴承详细信息
HMVC 11E轴承是【SKF轴承 > 滚动轴承 > 轴承附件】的型号,主要用在铁路车辆、燃料喷射泵、桥式起重机、齿轮减速装置、轧钢机辊道子、起重机吊钩、冶炼厂、化纤机械、强夯机、正面吊等各大领域。
SKF HMVC 11E轴承详细参数
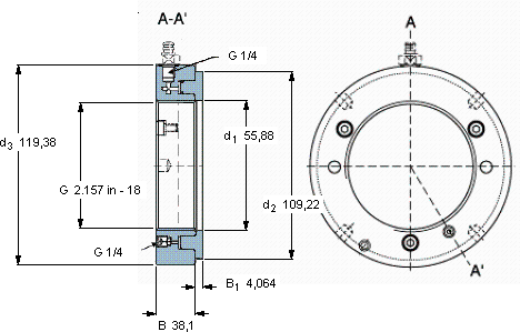
| Hydraulic nuts, inch sizes | ||||||||||||
| 螺纹尺寸 | 尺寸 | Permitted | Piston area | 体积 | 型号 | |||||||
| piston | ||||||||||||
| G | d1 | d2 | d3 | B | B1 | displacement | ||||||
| mm | mm (metric sizes) | mm | mm | mm2 (metric sizes) | kg | - | ||||||
| in - threads/in (inch sizes) | in2 (inch sizes) | |||||||||||
| 53,871 | 2.157 in - 18 | 55,88 | 109,22 | 119,38 | 38,1 | 4,064 | 5,08 | 4,9 | 6,1 | HMVC 11E | - | |
SKF HMVC 11E轴承尺寸图纸

