李工:138-8949-5179 刘工:135-0428-8802
型号查询
轴承型号   常见搜索: 6013轴承 6017轴承 71913轴承 2026轴承 6304轴承 2025轴承
型号查询 X

轴承专区

Bearings Center

BS2B 247181轴承-SKF BS2B 247181轴承尺寸、图纸、价格

SKF BS2B 247181轴承

产品名称:BS2B 247181轴承 品牌:SKF
类型:SKF轴承 > 滚动轴承 > 球面滚子轴承
描述:BS2B 247181轴承是【SKF轴承 > 滚动轴承 > 球面滚子轴承】的型号,主要用在各种产业机械、各类变速器、泵、铁路车辆、减速装置、机床主轴、发电厂、精细化工机械、混凝土机械、塔式车库等各大领域

 电话/微信:138-8949-5179

SKF BS2B 247181轴承详细信息

BS2B 247181轴承是【SKF轴承 > 滚动轴承 > 球面滚子轴承】的型号,主要用在各种产业机械、各类变速器、泵、铁路车辆、减速装置、机床主轴、发电厂、精细化工机械、混凝土机械、塔式车库等各大领域。

SKF BS2B 247181轴承详细参数

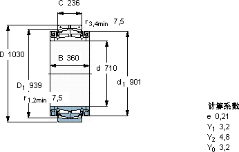
球面滚子轴承, 剖分式
主要数据尺寸基本负荷额定值疲劳负荷限值体积型号
动态静态
dDBCCC0Pu
mmkNkNkg-
7101030360236702015600930880BS2B 247181

SKF BS2B 247181轴承尺寸图纸

李工:138-8949-5179

刘工:135-0428-8802

地址:辽宁省大连经济技术开发区现代城3栋-13-13号

在线客服系统