轴承专区
Bearings Center
HMV 64E轴承-SKF HMV 64E轴承尺寸、图纸、价格
SKF HMV 64E轴承
| 产品名称: | HMV 64E轴承 | 品牌: | SKF |
|---|---|---|---|
| 类型: | SKF轴承 > 滚动轴承 > 轴承附件 | ||
| 描述: | HMV 64E轴承是【SKF轴承 > 滚动轴承 > 轴承附件】的型号,主要用在建筑机械、罗茨鼓风机、中型及大型电动机、建筑机械、轧钢机齿轮箱座、制铁制钢机械、成形机、薄膜拉伸、起重机械、泥炮等各大领域 | ||
电话/微信:138-8949-5179
SKF HMV 64E轴承详细信息
HMV 64E轴承是【SKF轴承 > 滚动轴承 > 轴承附件】的型号,主要用在建筑机械、罗茨鼓风机、中型及大型电动机、建筑机械、轧钢机齿轮箱座、制铁制钢机械、成形机、薄膜拉伸、起重机械、泥炮等各大领域。
SKF HMV 64E轴承详细参数
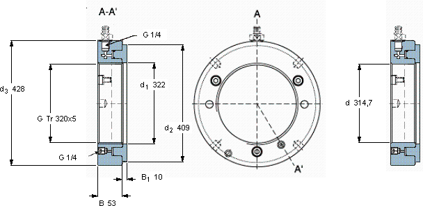
| Hydraulic nuts, metric sizes | ||||||||||||
| 螺纹尺寸 | 尺寸 | Permitted | Piston area | 体积 | 型号 | |||||||
| piston | ||||||||||||
| G | d1 | d2 | d3 | B | B1 | displacement | ||||||
| mm | mm (metric sizes) | mm | mm | mm2 (metric sizes) | kg | - | ||||||
| in - threads/in (inch sizes) | in2 (inch sizes) | |||||||||||
| 320 | Tr 320x5 | 322 | 409 | 428 | 53 | 10 | 14 | 26300 | 29,5 | HMV 64E | HMV 64E/A101 | |
SKF HMV 64E轴承尺寸图纸

