轴承专区
Bearings Center
HMV 54E轴承-SKF HMV 54E轴承尺寸、图纸、价格
SKF HMV 54E轴承
| 产品名称: | HMV 54E轴承 | 品牌: | SKF |
|---|---|---|---|
| 类型: | SKF轴承 > 滚动轴承 > 轴承附件 | ||
| 描述: | HMV 54E轴承是【SKF轴承 > 滚动轴承 > 轴承附件】的型号,主要用在燃汽轮机、印刷机械、变速器、轧钢机辊颈、破碎机、制铁制钢机械、电机厂、啤酒、堆取料机、数控设备等各大领域 | ||
电话/微信:138-8949-5179
SKF HMV 54E轴承详细信息
HMV 54E轴承是【SKF轴承 > 滚动轴承 > 轴承附件】的型号,主要用在燃汽轮机、印刷机械、变速器、轧钢机辊颈、破碎机、制铁制钢机械、电机厂、啤酒、堆取料机、数控设备等各大领域。
SKF HMV 54E轴承详细参数
| Hydraulic nuts, metric sizes | ||||||||||||
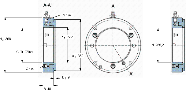
| 螺纹尺寸 | 尺寸 | Permitted | Piston area | 体积 | 型号 | |||||||
| piston | ||||||||||||
| G | d1 | d2 | d3 | B | B1 | displacement | ||||||
| mm | mm (metric sizes) | mm | mm | mm2 (metric sizes) | kg | - | ||||||
| in - threads/in (inch sizes) | in2 (inch sizes) | |||||||||||
| 270 | Tr 270x4 | 272 | 352 | 368 | 48 | 9 | 12 | 19800 | 20,5 | HMV 54E | HMV 54E/A101 | |
SKF HMV 54E轴承尺寸图纸

