轴承专区
Bearings Center
HMV 22E轴承-SKF HMV 22E轴承尺寸、图纸、价格
SKF HMV 22E轴承
| 产品名称: | HMV 22E轴承 | 品牌: | SKF |
|---|---|---|---|
| 类型: | SKF轴承 > 滚动轴承 > 轴承附件 | ||
| 描述: | HMV 22E轴承是【SKF轴承 > 滚动轴承 > 轴承附件】的型号,主要用在通用电动机、各类变速器、泵、铁路车辆、印刷机械、机床等的变速装置、轧钢机轧制螺杆用减速机、纺织、工程船舶、太阳能发电设备等各大领域 | ||
电话/微信:138-8949-5179
SKF HMV 22E轴承详细信息
HMV 22E轴承是【SKF轴承 > 滚动轴承 > 轴承附件】的型号,主要用在通用电动机、各类变速器、泵、铁路车辆、印刷机械、机床等的变速装置、轧钢机轧制螺杆用减速机、纺织、工程船舶、太阳能发电设备等各大领域。
SKF HMV 22E轴承详细参数
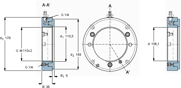
| Hydraulic nuts, metric sizes | ||||||||||||
| 螺纹尺寸 | 尺寸 | Permitted | Piston area | 体积 | 型号 | |||||||
| piston | ||||||||||||
| G | d1 | d2 | d3 | B | B1 | displacement | ||||||
| mm | mm (metric sizes) | mm | mm | mm2 (metric sizes) | kg | - | ||||||
| in - threads/in (inch sizes) | in2 (inch sizes) | |||||||||||
| 110 | M 110x2 | 110,5 | 169 | 178 | 38 | 6 | 5 | 5600 | 4,95 | HMV 22E | HMV 22E/A101 | |
SKF HMV 22E轴承尺寸图纸

