轴承专区
Bearings Center
6208/W64 *轴承-SKF 6208/W64 *轴承尺寸、图纸、价格
SKF 6208/W64 *轴承
| 产品名称: | 6208/W64 *轴承 | 品牌: | SKF |
|---|---|---|---|
| 类型: | SKF轴承 > 滚动轴承 > 深沟球轴承 | ||
| 描述: | 6208/W64 *轴承是【SKF轴承 > 滚动轴承 > 深沟球轴承】的型号,主要用在后轮、空气压缩机、木工机械、大型农业机械、木工机械、汽车转向销、水力发电机、化纤机械、土方机械、焊接机器人等各大领域 | ||
电话/微信:138-8949-5179
SKF 6208/W64 *轴承详细信息
6208/W64 *轴承是【SKF轴承 > 滚动轴承 > 深沟球轴承】的型号,主要用在后轮、空气压缩机、木工机械、大型农业机械、木工机械、汽车转向销、水力发电机、化纤机械、土方机械、焊接机器人等各大领域。
SKF 6208/W64 *轴承详细参数
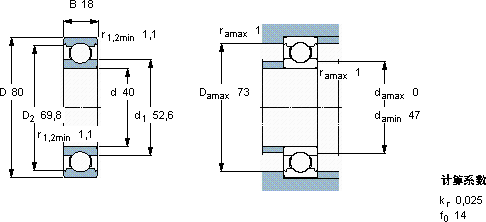
| 深沟球轴承, 单列, 含Solid Oil, 无密封件 | |||||||||
| 主要数据尺寸 | 基本负荷额定值 | 疲劳负荷限值 | 限制速度 | 体积 | 型号 | ||||
| 动态 | 静态 | ||||||||
| d | D | B | C | C0 | Pu | * - SKF Explorer 轴承 | |||
| mm | kN | kN | r/min | kg | - | ||||
| 40 | 80 | 18 | 32,5 | 19 | 0,8 | 5000 | 0,37 | 6208/W64 * | |
SKF 6208/W64 *轴承尺寸图纸

