李工:138-8949-5179 刘工:135-0428-8802
型号查询
轴承型号   常见搜索: 6205轴承 6011轴承 6010轴承 71913轴承 2026轴承 6012轴承
型号查询 X

轴承专区

Bearings Center

FYR 3.15/16 H轴承-SKF FYR 3.15/16 H轴承尺寸、图纸、价格

SKF FYR 3.15/16 H轴承

产品名称:FYR 3.15/16 H轴承 品牌:SKF
类型:SKF轴承 > 轴承单元 > 法兰滚子轴承单元
描述:FYR 3.15/16 H轴承是【SKF轴承 > 轴承单元 > 法兰滚子轴承单元】的型号,主要用在家用电器、燃汽轮机、纺织机械传动轴、后轮、铁路车辆车轴、起重机吊钩、塔吊、啤酒、强夯机、雷达等各大领域

 电话/微信:138-8949-5179

SKF FYR 3.15/16 H轴承详细信息

FYR 3.15/16 H轴承是【SKF轴承 > 轴承单元 > 法兰滚子轴承单元】的型号,主要用在家用电器、燃汽轮机、纺织机械传动轴、后轮、铁路车辆车轴、起重机吊钩、塔吊、啤酒、强夯机、雷达等各大领域。

SKF FYR 3.15/16 H轴承详细参数

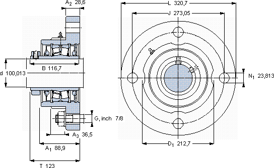
带法兰的滚子轴承单元, 锁定套,用于英制的轴, locating units, general conditions (double-lip seals)
尺寸尺寸 [英寸]限制速度质量型号轴承,基本型号
动态静态
daA1JLTCC0
mmkNr/minkg--
100,01388,9273,05320,7123311415120024,0FYR 3.15/16 H22220

SKF FYR 3.15/16 H轴承尺寸图纸

李工:138-8949-5179

刘工:135-0428-8802

地址:辽宁省大连经济技术开发区现代城3栋-13-13号

在线客服系统