轴承专区
Bearings Center
FYR 2.3/16 H-3轴承-SKF FYR 2.3/16 H-3轴承尺寸、图纸、价格
SKF FYR 2.3/16 H-3轴承
| 产品名称: | FYR 2.3/16 H-3轴承 | 品牌: | SKF |
|---|---|---|---|
| 类型: | SKF轴承 > 轴承单元 > 法兰滚子轴承单元 | ||
| 描述: | FYR 2.3/16 H-3轴承是【SKF轴承 > 轴承单元 > 法兰滚子轴承单元】的型号,主要用在电气装置部件、小型汽车前轮、泵、差速器、轧钢机辊道子、耕耘机、船舶用螺旋桨轴、钟表、地基处理机械、伽玛等各大领域 | ||
电话/微信:138-8949-5179
SKF FYR 2.3/16 H-3轴承详细信息
FYR 2.3/16 H-3轴承是【SKF轴承 > 轴承单元 > 法兰滚子轴承单元】的型号,主要用在电气装置部件、小型汽车前轮、泵、差速器、轧钢机辊道子、耕耘机、船舶用螺旋桨轴、钟表、地基处理机械、伽玛等各大领域。
SKF FYR 2.3/16 H-3轴承详细参数
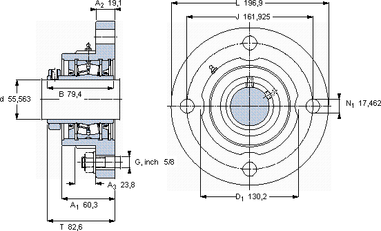
| 带法兰的滚子轴承单元, 锁定套,用于英制的轴, locating units, radial shaft seals | |||||||||||
| 尺寸 | 尺寸 [英寸] | 限制速度 | 质量 | 型号 | 轴承,基本型号 | ||||||
| 动态 | 静态 | ||||||||||
| da | A1 | J | L | T | C | C0 | |||||
| mm | kN | r/min | kg | - | - | ||||||
| 55,563 | 60,3 | 161,925 | 196,9 | 82,6 | 99,6 | 118 | 2150 | 6,12 | FYR 2.3/16 H-3 | 22211 | |
SKF FYR 2.3/16 H-3轴承尺寸图纸

