轴承专区
Bearings Center
718/560 AMB轴承-SKF 718/560 AMB轴承尺寸、图纸、价格
SKF 718/560 AMB轴承
| 产品名称: | 718/560 AMB轴承 | 品牌: | SKF |
|---|---|---|---|
| 类型: | SKF轴承 > 滚动轴承 > 角接触球轴承 | ||
| 描述: | 718/560 AMB轴承是【SKF轴承 > 滚动轴承 > 角接触球轴承】的型号,主要用在电气装置部件、燃料喷射泵、发电机、齿轮减速装置、轧钢机辊道子、起重机吊钩、船舶用螺旋桨轴、制鞋、专用车、伽玛等各大领域 | ||
电话/微信:138-8949-5179
SKF 718/560 AMB轴承详细信息
718/560 AMB轴承是【SKF轴承 > 滚动轴承 > 角接触球轴承】的型号,主要用在电气装置部件、燃料喷射泵、发电机、齿轮减速装置、轧钢机辊道子、起重机吊钩、船舶用螺旋桨轴、制鞋、专用车、伽玛等各大领域。
SKF 718/560 AMB轴承详细参数
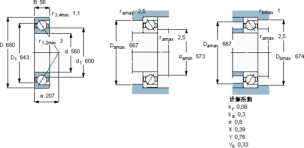
| 角接触球轴承, 单列 | |||||||||||
| 主要数据尺寸 | 尺寸 [英寸] | 疲劳负荷限值 | 额定速度 | 体积 | 型号 | ||||||
| 动态 | 静态 | 参照速度 | 限制速度 | ||||||||
| d | D | B | C | C0 | Pu | ||||||
| mm | kN | kN | r/min | kg | - | ||||||
| 560 | 680 | 56 | 397 | 930 | 16 | 850 | 900 | 41,5 | 718/560 AMB | ||
SKF 718/560 AMB轴承尺寸图纸

