李工:138-8949-5179 刘工:135-0428-8802
型号查询
轴承型号   常见搜索: 6008轴承 688a轴承 6007轴承 6005轴承 6305轴承 6906轴承
型号查询 X

轴承专区

Bearings Center

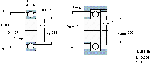
6256 M轴承-SKF 6256 M轴承尺寸、图纸、价格

SKF 6256 M轴承

产品名称:6256 M轴承 品牌:SKF
类型:SKF轴承 > 滚动轴承 > 深沟球轴承
描述:6256 M轴承是【SKF轴承 > 滚动轴承 > 深沟球轴承】的型号,主要用在建筑机械、罗茨鼓风机、泵、建筑机械、各类产业用减速机、石油钻机转环、成形机、医药设备、凿岩机械、泥炮等各大领域

 电话/微信:138-8949-5179

SKF 6256 M轴承详细信息

6256 M轴承是【SKF轴承 > 滚动轴承 > 深沟球轴承】的型号,主要用在建筑机械、罗茨鼓风机、泵、建筑机械、各类产业用减速机、石油钻机转环、成形机、医药设备、凿岩机械、泥炮等各大领域。

SKF 6256 M轴承详细参数

深沟球轴承, 单列, 无密封件
主要数据尺寸基本负荷额定值疲劳负荷限值额定速度体积型号
动态静态参照速度限制速度
dDBCC0Pu
mmkNkNr/minkg-
2805008042360012,92600220071,06256 M

SKF 6256 M轴承尺寸图纸

李工:138-8949-5179

刘工:135-0428-8802

地址:辽宁省大连经济技术开发区现代城3栋-13-13号

在线客服系统