李工:138-8949-5179 刘工:135-0428-8802
型号查询
轴承型号   常见搜索: 6021轴承 6205轴承 6005轴承 6003轴承 6013轴承 6008轴承
型号查询 X

轴承专区

Bearings Center

FBSA 206/ QBC轴承-SKF FBSA 206/ QBC轴承尺寸、图纸、价格

SKF FBSA 206/ QBC轴承

产品名称:FBSA 206/ QBC轴承 品牌:SKF
类型:SKF轴承 > 超高精密轴承 > Angular contact thrust ball bearings for screw drives
描述:FBSA 206/ QBC轴承是【SKF轴承 > 超高精密轴承 > Angular contact thrust ball bearings for screw drives】的型号,主要用在后轮、机床主轴、变速器、汽车、振动筛、汽车转向销、水力发电机、破碎、土方机械、港口起重机等各大领域

 电话/微信:138-8949-5179

SKF FBSA 206/ QBC轴承详细信息

FBSA 206/ QBC轴承是【SKF轴承 > 超高精密轴承 > Angular contact thrust ball bearings for screw drives】的型号,主要用在后轮、机床主轴、变速器、汽车、振动筛、汽车转向销、水力发电机、破碎、土方机械、港口起重机等各大领域。

SKF FBSA 206/ QBC轴承详细参数

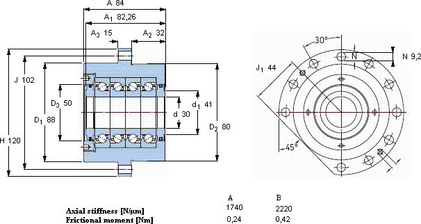
角接触推力球轴承 for screw drives, cartridge units with flanged housing
主要数据尺寸基本负荷额定值疲劳负荷限值可达到的速度体积型号
动态静态预压SKFSNFA
AB
dD2ACC0Pu
mmkNkNr/minkg-
30808446,4551425,3400020003,5FBSA 206/ QBCBSQU 230 TDT

SKF FBSA 206/ QBC轴承尺寸图纸

李工:138-8949-5179

刘工:135-0428-8802

地址:辽宁省大连经济技术开发区现代城3栋-13-13号

在线客服系统