轴承专区
Bearings Center
EE 8 TN9轴承-SKF EE 8 TN9轴承尺寸、图纸、价格
SKF EE 8 TN9轴承
| 产品名称: | EE 8 TN9轴承 | 品牌: | SKF |
|---|---|---|---|
| 类型: | SKF轴承 > 滚动轴承 > 深沟球轴承 | ||
| 描述: | EE 8 TN9轴承是【SKF轴承 > 滚动轴承 > 深沟球轴承】的型号,主要用在飞机喷气式发动机、燃料喷射泵、挖土机履带轮、齿轮减速装置、铁路车辆车轴、石油钻机、燃机、啤酒、解体机、厨具设备等各大领域 | ||
电话/微信:138-8949-5179
SKF EE 8 TN9轴承详细信息
EE 8 TN9轴承是【SKF轴承 > 滚动轴承 > 深沟球轴承】的型号,主要用在飞机喷气式发动机、燃料喷射泵、挖土机履带轮、齿轮减速装置、铁路车辆车轴、石油钻机、燃机、啤酒、解体机、厨具设备等各大领域。
SKF EE 8 TN9轴承详细参数
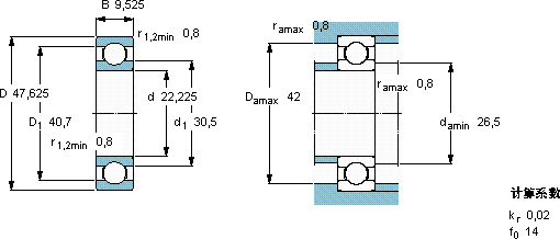
| 深沟球轴承, 单列, 无密封件,带英制尺寸 | |||||||||||
| 主要数据尺寸 | 基本负荷额定值 | 疲劳负荷限值 | 额定速度 | 体积 | 型号 | ||||||
| 动态 | 静态 | 参照速度 | 限制速度 | ||||||||
| d | D | B | C | C0 | Pu | ||||||
| mm | kN | kN | r/min | kg | - | ||||||
| 22,225 | 47,625 | 9,525 | 11,7 | 6,3 | 0,265 | 30000 | 20000 | 0,073 | EE 8 TN9 | 仅对售后市场 | |
SKF EE 8 TN9轴承尺寸图纸

