轴承专区
Bearings Center
C 2211 KV + H 311 E *轴承-SKF C 2211 KV + H 311 E *轴承尺寸、图纸、价格
SKF C 2211 KV + H 311 E *轴承
| 产品名称: | C 2211 KV + H 311 E *轴承 | 品牌: | SKF |
|---|---|---|---|
| 类型: | SKF轴承 > 滚动轴承 > CARB®圆环滚子轴承 | ||
| 描述: | C 2211 KV + H 311 E *轴承是【SKF轴承 > 滚动轴承 > CARB®圆环滚子轴承】的型号,主要用在内燃机、小型汽车前轮、木工机械、差速器、造纸机械、耕耘机、挤压机、电子、地基处理机械、码垛机器人等各大领域 | ||
电话/微信:138-8949-5179
SKF C 2211 KV + H 311 E *轴承详细信息
C 2211 KV + H 311 E *轴承是【SKF轴承 > 滚动轴承 > CARB®圆环滚子轴承】的型号,主要用在内燃机、小型汽车前轮、木工机械、差速器、造纸机械、耕耘机、挤压机、电子、地基处理机械、码垛机器人等各大领域。
SKF C 2211 KV + H 311 E *轴承详细参数
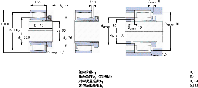
| CARB圆环滚子轴承, 带紧定套的, 满 | |||||||||||
| 主要数据尺寸 | 基本负荷额定值 | 疲劳负荷限值 | 额定速度 | 体积 | 型号 | ||||||
| 动态 | 静态 | 参照速度 | 限制速度 | 轴承 + 紧定套 | |||||||
| d1 | D | B | C | C0 | Pu | * - SKF Explorer 轴承 | **-请查实能否供货 | ||||
| mm | kN | kN | r/min | kg | - | ||||||
| 50 | 100 | 25 | 132 | 134 | 16 | - | 3400 | 1,15 | C 2211 KV + H 311 E * | - | |
SKF C 2211 KV + H 311 E *轴承尺寸图纸

