轴承专区
Bearings Center
BEAB 351867轴承-SKF BEAB 351867轴承尺寸、图纸、价格
SKF BEAB 351867轴承
| 产品名称: | BEAB 351867轴承 | 品牌: | SKF |
|---|---|---|---|
| 类型: | SKF轴承 > 滚动轴承 > 角接触推力球轴承 | ||
| 描述: | BEAB 351867轴承是【SKF轴承 > 滚动轴承 > 角接触推力球轴承】的型号,主要用在装卸搬运机械、印刷机械、泵、轧钢机辊颈、各类产业用减速机、石油钻机转环、矿山、饮料设备、凿岩机械、风力发电设备等各大领域 | ||
电话/微信:138-8949-5179
SKF BEAB 351867轴承详细信息
BEAB 351867轴承是【SKF轴承 > 滚动轴承 > 角接触推力球轴承】的型号,主要用在装卸搬运机械、印刷机械、泵、轧钢机辊颈、各类产业用减速机、石油钻机转环、矿山、饮料设备、凿岩机械、风力发电设备等各大领域。
SKF BEAB 351867轴承详细参数
| 角接触推力球轴承, 双向 | |||||||||||
| 主要数据尺寸 | 基本负荷额定值 | 疲劳负荷限值 [kN] | 体积 | 型号 | |||||||
| 上轴承 | 下轴承 | 上数值 | 下数值 | ||||||||
| 动态 | 静态 | 动态 | 静态 | ||||||||
| d | D | H | C | C0 | C | C0 | Pu | Pu | |||
| mm | kN | kN | kN | kg | - | ||||||
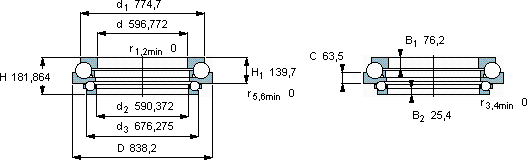
| 596,772 | 838,2 | 181,864 | 1120 | 5400 | 520 | 3250 | 86,5 | 47,5 | 230 | BEAB 351867 | |
SKF BEAB 351867轴承尺寸图纸

