轴承专区
Bearings Center
BCZ-0509轴承-SKF BCZ-0509轴承尺寸、图纸、价格
SKF BCZ-0509轴承
| 产品名称: | BCZ-0509轴承 | 品牌: | SKF |
|---|---|---|---|
| 类型: | SKF轴承 > 滚动轴承 > 多辊式轧钢机支承轴承 | ||
| 描述: | BCZ-0509轴承是【SKF轴承 > 滚动轴承 > 多辊式轧钢机支承轴承】的型号,主要用在家用电器、燃料喷射泵、发电机、齿轮减速装置、造纸机械、石油钻机、塔吊、化纤机械、解体机、冶金起重机等各大领域 | ||
电话/微信:138-8949-5179
SKF BCZ-0509轴承详细信息
BCZ-0509轴承是【SKF轴承 > 滚动轴承 > 多辊式轧钢机支承轴承】的型号,主要用在家用电器、燃料喷射泵、发电机、齿轮减速装置、造纸机械、石油钻机、塔吊、化纤机械、解体机、冶金起重机等各大领域。
SKF BCZ-0509轴承详细参数
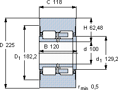
| 用于多辊轧机的背辊轴承, 用于多辊轧机的背辊轴承 | |||||||||||
| 主要数据尺寸 | 基本负荷额定值 | 最大径向负荷 | 体积 | 型号 | |||||||
| 滚子 | |||||||||||
| 动态 | 静态 | 动态 | 静态 | ||||||||
| D | d | B | C | H | C | C0 | Fr | F0r | |||
| mm | kN | kN | kg | - | |||||||
| 225 | 100 | 120 | 118 | 62,48 | 495 | 680 | 465 | 655 | 27,0 | BCZ-0509 | |
SKF BCZ-0509轴承尺寸图纸

