轴承专区
Bearings Center
6044 M轴承-SKF 6044 M轴承尺寸、图纸、价格
SKF 6044 M轴承
| 产品名称: | 6044 M轴承 | 品牌: | SKF |
|---|---|---|---|
| 类型: | SKF轴承 > 滚动轴承 > 深沟球轴承 | ||
| 描述: | 6044 M轴承是【SKF轴承 > 滚动轴承 > 深沟球轴承】的型号,主要用在变速器、印刷机械、纺织机械传动轴、轧钢机辊颈、各类产业用减速机、制铁制钢机械、立式电动机、烟草机械、堆取料机、吹氧装置等各大领域 | ||
电话/微信:138-8949-5179
SKF 6044 M轴承详细信息
6044 M轴承是【SKF轴承 > 滚动轴承 > 深沟球轴承】的型号,主要用在变速器、印刷机械、纺织机械传动轴、轧钢机辊颈、各类产业用减速机、制铁制钢机械、立式电动机、烟草机械、堆取料机、吹氧装置等各大领域。
SKF 6044 M轴承详细参数
| 深沟球轴承, 单列, 无密封件 | |||||||||||
| 主要数据尺寸 | 基本负荷额定值 | 疲劳负荷限值 | 额定速度 | 体积 | 型号 | ||||||
| 动态 | 静态 | 参照速度 | 限制速度 | ||||||||
| d | D | B | C | C0 | Pu | ||||||
| mm | kN | kN | r/min | kg | - | ||||||
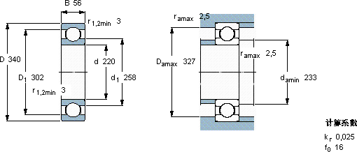
| 220 | 340 | 56 | 247 | 290 | 7,35 | 4000 | 3200 | 18,5 | 6044 M | ||
SKF 6044 M轴承尺寸图纸

