轴承专区
Bearings Center
BC4B 319411轴承-SKF BC4B 319411轴承尺寸、图纸、价格
SKF BC4B 319411轴承
| 产品名称: | BC4B 319411轴承 | 品牌: | SKF |
|---|---|---|---|
| 类型: | SKF轴承 > 滚动轴承 > 圆柱滚子轴承 | ||
| 描述: | BC4B 319411轴承是【SKF轴承 > 滚动轴承 > 圆柱滚子轴承】的型号,主要用在后轮、油泵、提升机、机床主轴、木工机械、石油钻机、水力发电机、精细化工机械、解体机、港口起重机等各大领域 | ||
电话/微信:138-8949-5179
SKF BC4B 319411轴承详细信息
BC4B 319411轴承是【SKF轴承 > 滚动轴承 > 圆柱滚子轴承】的型号,主要用在后轮、油泵、提升机、机床主轴、木工机械、石油钻机、水力发电机、精细化工机械、解体机、港口起重机等各大领域。
SKF BC4B 319411轴承详细参数
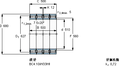
| 圆柱滚子轴承, 四列, BC4.14 | |||||||||
| 主要数据尺寸 | 基本负荷额定值 | 疲劳负荷限值 | 体积 | 型号 | |||||
| 动态 | 静态 | ||||||||
| d | D | B | C | C | C0 | Pu | |||
| mm | kN | kN | kg | - | |||||
| 510 | 680 | 500 | 500 | 8970 | 26000 | 2080 | 522 | BC4B 319411 | |
SKF BC4B 319411轴承尺寸图纸

