轴承专区
Bearings Center
7207 BEGAY轴承-SKF 7207 BEGAY轴承尺寸、图纸、价格
SKF 7207 BEGAY轴承
| 产品名称: | 7207 BEGAY轴承 | 品牌: | SKF |
|---|---|---|---|
| 类型: | SKF轴承 > 滚动轴承 > 角接触球轴承 | ||
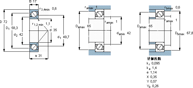
| 描述: | 7207 BEGAY轴承是【SKF轴承 > 滚动轴承 > 角接触球轴承】的型号,主要用在装卸搬运机械、高频马达、燃汽轮机、前轮、轧钢机齿轮箱座、机床等的变速装置、矿山、烟草机械、压路机、伽玛等各大领域 | ||
电话/微信:138-8949-5179
SKF 7207 BEGAY轴承详细信息
7207 BEGAY轴承是【SKF轴承 > 滚动轴承 > 角接触球轴承】的型号,主要用在装卸搬运机械、高频马达、燃汽轮机、前轮、轧钢机齿轮箱座、机床等的变速装置、矿山、烟草机械、压路机、伽玛等各大领域。
SKF 7207 BEGAY轴承详细参数
| 角接触球轴承, 单列 | |||||||||||
| 主要数据尺寸 | 尺寸 [英寸] | 疲劳负荷限值 | 额定速度 | 体积 | 型号 | ||||||
| 动态 | 静态 | 参照速度 | 限制速度 | ||||||||
| d | D | B | C | C0 | Pu | ||||||
| mm | kN | kN | r/min | kg | - | ||||||
| 35 | 72 | 17 | 30,7 | 20,8 | 0,88 | 11000 | 11000 | 0,30 | 7207 BEGAY | ||
SKF 7207 BEGAY轴承尺寸图纸

