轴承专区
Bearings Center
3202 A-2RS1TN9/MT33轴承-SKF 3202 A-2RS1TN9/MT33轴承尺寸、图纸、价格
SKF 3202 A-2RS1TN9/MT33轴承
| 产品名称: | 3202 A-2RS1TN9/MT33轴承 | 品牌: | SKF |
|---|---|---|---|
| 类型: | SKF轴承 > 滚动轴承 > 角接触球轴承 | ||
| 描述: | 3202 A-2RS1TN9/MT33轴承是【SKF轴承 > 滚动轴承 > 角接触球轴承】的型号,主要用在建筑机械、差速器小齿轮轴、中型及大型电动机、小齿轮轴、各类产业用减速机、机床主轴、成形机、破碎、混凝土机械、焊接机器人等各大领域 | ||
电话/微信:138-8949-5179
SKF 3202 A-2RS1TN9/MT33轴承详细信息
3202 A-2RS1TN9/MT33轴承是【SKF轴承 > 滚动轴承 > 角接触球轴承】的型号,主要用在建筑机械、差速器小齿轮轴、中型及大型电动机、小齿轮轴、各类产业用减速机、机床主轴、成形机、破碎、混凝土机械、焊接机器人等各大领域。
SKF 3202 A-2RS1TN9/MT33轴承详细参数
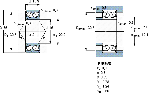
| 角接触球轴承, 双列, 两面密封件 | ||||||||||
| 主要数据尺寸 | 基本负荷额定值 | 疲劳负荷限值 | 额定速度 | 体积 | 型号 | |||||
| 动态 | 静态 | 参照速度 | 限制速度 | |||||||
| d | D | B | C | C0 | Pu | |||||
| mm | kN | kN | r/min | kg | - | |||||
| 15 | 35 | 15,9 | 11,2 | 6,8 | 0,285 | - | 14000 | 0,066 | 3202 A-2RS1TN9/MT33 | |
SKF 3202 A-2RS1TN9/MT33轴承尺寸图纸

