轴承专区
Bearings Center
BBF-8001轴承-SKF BBF-8001轴承尺寸、图纸、价格
SKF BBF-8001轴承
| 产品名称: | BBF-8001轴承 | 品牌: | SKF |
|---|---|---|---|
| 类型: | SKF轴承 > 滚动轴承 > 深沟球轴承 | ||
| 描述: | BBF-8001轴承是【SKF轴承 > 滚动轴承 > 深沟球轴承】的型号,主要用在装卸搬运机械、高频马达、挖土机履带轮、前轮、轧钢机齿轮箱座、机床等的变速装置、矿山、玩具、工程船舶、伽玛等各大领域 | ||
电话/微信:138-8949-5179
SKF BBF-8001轴承详细信息
BBF-8001轴承是【SKF轴承 > 滚动轴承 > 深沟球轴承】的型号,主要用在装卸搬运机械、高频马达、挖土机履带轮、前轮、轧钢机齿轮箱座、机床等的变速装置、矿山、玩具、工程船舶、伽玛等各大领域。
SKF BBF-8001轴承详细参数
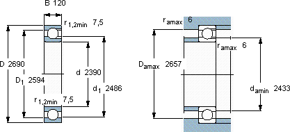
| 深沟球轴承, 单列,带装球缺口,不带保持架 | ||||||
| 主要数据尺寸 | 基本负荷额定值 | 体积 | 型号 | |||
| 静态 | ||||||
| d | D | B | C0 | |||
| mm | kN | kg | - | |||
| 2390 | 2690 | 120 | 11200 | 840 | BBF-8001 | |
SKF BBF-8001轴承尺寸图纸

