轴承专区
Bearings Center
6304 *轴承-SKF 6304 *轴承尺寸、图纸、价格
SKF 6304 *轴承
| 产品名称: | 6304 *轴承 | 品牌: | SKF |
|---|---|---|---|
| 类型: | SKF轴承 > 滚动轴承 > 深沟球轴承 | ||
| 描述: | 6304 *轴承是【SKF轴承 > 滚动轴承 > 深沟球轴承】的型号,主要用在燃汽轮机、各类变速器、挖土机履带轮、铁路车辆、各类产业用减速机、机床等的变速装置、电机厂、陶瓷机械、压路机、抓钢机等各大领域 | ||
电话/微信:138-8949-5179
SKF 6304 *轴承详细信息
6304 *轴承是【SKF轴承 > 滚动轴承 > 深沟球轴承】的型号,主要用在燃汽轮机、各类变速器、挖土机履带轮、铁路车辆、各类产业用减速机、机床等的变速装置、电机厂、陶瓷机械、压路机、抓钢机等各大领域。
SKF 6304 *轴承详细参数
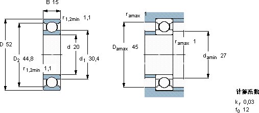
| 深沟球轴承, 单列, 无密封件 | |||||||||||
| 主要数据尺寸 | 基本负荷额定值 | 疲劳负荷限值 | 额定速度 | 体积 | 型号 | ||||||
| 动态 | 静态 | 参照速度 | 限制速度 | ||||||||
| d | D | B | C | C0 | Pu | * - SKF Explorer 轴承 | |||||
| mm | kN | kN | r/min | kg | - | ||||||
| 20 | 52 | 15 | 16,8 | 7,8 | 0,335 | 30000 | 19000 | 0,14 | 6304 * | ||
SKF 6304 *轴承尺寸图纸

