轴承专区
Bearings Center
BB1-8001轴承-SKF BB1-8001轴承尺寸、图纸、价格
SKF BB1-8001轴承
| 产品名称: | BB1-8001轴承 | 品牌: | SKF |
|---|---|---|---|
| 类型: | SKF轴承 > 滚动轴承 > 深沟球轴承 | ||
| 描述: | BB1-8001轴承是【SKF轴承 > 滚动轴承 > 深沟球轴承】的型号,主要用在各种产业机械、罗茨鼓风机、挖土机履带轮、建筑机械、轧钢机齿轮箱座、石油钻机转环、发电厂、钟表、凿岩机械、冶金起重机等各大领域 | ||
电话/微信:138-8949-5179
SKF BB1-8001轴承详细信息
BB1-8001轴承是【SKF轴承 > 滚动轴承 > 深沟球轴承】的型号,主要用在各种产业机械、罗茨鼓风机、挖土机履带轮、建筑机械、轧钢机齿轮箱座、石油钻机转环、发电厂、钟表、凿岩机械、冶金起重机等各大领域。
SKF BB1-8001轴承详细参数
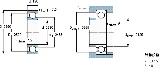
| 深沟球轴承, 单列, 无密封件 | |||||||||||
| 主要数据尺寸 | 基本负荷额定值 | 疲劳负荷限值 | 额定速度 | 体积 | 型号 | ||||||
| 动态 | 静态 | 参照速度 | 限制速度 | ||||||||
| d | D | B | C | C0 | Pu | ||||||
| mm | kN | kN | r/min | kg | - | ||||||
| 2390 | 2690 | 120 | 1300 | 6200 | 52 | 120 | 100 | 975 | BB1-8001 | ||
SKF BB1-8001轴承尺寸图纸

