轴承专区
Bearings Center
BA1B 307740轴承-SKF BA1B 307740轴承尺寸、图纸、价格
SKF BA1B 307740轴承
| 产品名称: | BA1B 307740轴承 | 品牌: | SKF |
|---|---|---|---|
| 类型: | SKF轴承 > 滚动轴承 > 角接触推力球轴承 | ||
| 描述: | BA1B 307740轴承是【SKF轴承 > 滚动轴承 > 角接触推力球轴承】的型号,主要用在装卸搬运机械、各类变速器、变速器、铁路车辆、破碎机、机床主轴、矿山、陶瓷机械、混凝土机械、摩天轮等各大领域 | ||
电话/微信:138-8949-5179
SKF BA1B 307740轴承详细信息
BA1B 307740轴承是【SKF轴承 > 滚动轴承 > 角接触推力球轴承】的型号,主要用在装卸搬运机械、各类变速器、变速器、铁路车辆、破碎机、机床主轴、矿山、陶瓷机械、混凝土机械、摩天轮等各大领域。
SKF BA1B 307740轴承详细参数
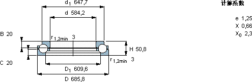
| 角接触推力球轴承, 单向 | |||||||||
| 主要数据尺寸 | 基本负荷额定值 | 疲劳负荷限值 | 最小负荷系数 | 体积 | 型号 | ||||
| 动态 | 静态 | ||||||||
| d | D | H | C | C0 | Pu | A | |||
| mm | kN | kN | - | kg | - | ||||
| 584,2 | 685,8 | 50,8 | 360 | 1700 | 28 | 9,5 | 27,5 | BA1B 307740 | |
SKF BA1B 307740轴承尺寸图纸

