轴承专区
Bearings Center
98205轴承-SKF 98205轴承尺寸、图纸、价格
SKF 98205轴承
| 产品名称: | 98205轴承 | 品牌: | SKF |
|---|---|---|---|
| 类型: | SKF轴承 > 滚动轴承 > 深沟球轴承 | ||
| 描述: | 98205轴承是【SKF轴承 > 滚动轴承 > 深沟球轴承】的型号,主要用在家用电器、油泵、发电机、机床主轴、铁路车辆车轴、起重机吊钩、塔吊、破碎、强夯机、塔式车库等各大领域 | ||
电话/微信:138-8949-5179
SKF 98205轴承详细信息
98205轴承是【SKF轴承 > 滚动轴承 > 深沟球轴承】的型号,主要用在家用电器、油泵、发电机、机床主轴、铁路车辆车轴、起重机吊钩、塔吊、破碎、强夯机、塔式车库等各大领域。
SKF 98205轴承详细参数
| 深沟球轴承, 单列, 无密封件 | |||||||||||
| 主要数据尺寸 | 基本负荷额定值 | 疲劳负荷限值 | 额定速度 | 体积 | 型号 | ||||||
| 动态 | 静态 | 参照速度 | 限制速度 | ||||||||
| d | D | B | C | C0 | Pu | ||||||
| mm | kN | kN | r/min | kg | - | ||||||
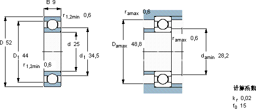
| 25 | 52 | 9 | 10,6 | 6,55 | 0,28 | 28000 | 18000 | 0,078 | 98205 | ||
SKF 98205轴承尺寸图纸

