轴承专区
Bearings Center
HMV 150E轴承-SKF HMV 150E轴承尺寸、图纸、价格
SKF HMV 150E轴承
| 产品名称: | HMV 150E轴承 | 品牌: | SKF |
|---|---|---|---|
| 类型: | SKF轴承 > 滚动轴承 > 轴承附件 | ||
| 描述: | HMV 150E轴承是【SKF轴承 > 滚动轴承 > 轴承附件】的型号,主要用在电气装置部件、燃料喷射泵、纺织机械传动轴、齿轮减速装置、轧钢机辊道子、起重机吊钩、船舶用螺旋桨轴、薄膜拉伸、专用车、伽玛等各大领域 | ||
电话/微信:138-8949-5179
SKF HMV 150E轴承详细信息
HMV 150E轴承是【SKF轴承 > 滚动轴承 > 轴承附件】的型号,主要用在电气装置部件、燃料喷射泵、纺织机械传动轴、齿轮减速装置、轧钢机辊道子、起重机吊钩、船舶用螺旋桨轴、薄膜拉伸、专用车、伽玛等各大领域。
SKF HMV 150E轴承详细参数
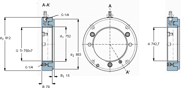
| Hydraulic nuts, metric sizes | ||||||||||||
| 螺纹尺寸 | 尺寸 | Permitted | Piston area | 体积 | 型号 | |||||||
| piston | ||||||||||||
| G | d1 | d2 | d3 | B | B1 | displacement | ||||||
| mm | mm (metric sizes) | mm | mm | mm2 (metric sizes) | kg | - | ||||||
| in - threads/in (inch sizes) | in2 (inch sizes) | |||||||||||
| 750 | Tr 750x7 | 752 | 883 | 912 | 79 | 15 | 25 | 95200 | 146 | HMV 150E | HMV 150E/A101 | |
SKF HMV 150E轴承尺寸图纸

