李工:138-8949-5179 刘工:135-0428-8802
型号查询
轴承型号   常见搜索: 617轴承 *轴承 32313轴承 6017轴承 6305轴承 6007轴承
型号查询 X

轴承专区

Bearings Center

98203轴承-SKF 98203轴承尺寸、图纸、价格

SKF 98203轴承

产品名称:98203轴承 品牌:SKF
类型:SKF轴承 > 滚动轴承 > 深沟球轴承
描述:98203轴承是【SKF轴承 > 滚动轴承 > 深沟球轴承】的型号,主要用在建筑机械、各类变速器、木工机械、铁路车辆、减速装置、机床等的变速装置、成形机、化纤机械、压路机、港口起重机等各大领域

 电话/微信:138-8949-5179

SKF 98203轴承详细信息

98203轴承是【SKF轴承 > 滚动轴承 > 深沟球轴承】的型号,主要用在建筑机械、各类变速器、木工机械、铁路车辆、减速装置、机床等的变速装置、成形机、化纤机械、压路机、港口起重机等各大领域。

SKF 98203轴承详细参数

深沟球轴承, 单列, 无密封件
主要数据尺寸基本负荷额定值疲劳负荷限值额定速度体积型号
动态静态参照速度限制速度
dDBCC0Pu
mmkNkNr/minkg-
174099,564,750,238000240000,04898203

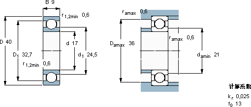
SKF 98203轴承尺寸图纸

李工:138-8949-5179

刘工:135-0428-8802

地址:辽宁省大连经济技术开发区现代城3栋-13-13号

在线客服系统