轴承专区
Bearings Center
24134 CCK30/W33 + AH 24134 *轴承-SKF 24134 CCK30/W33 + AH 24134 *轴承尺寸、图纸、价格
SKF 24134 CCK30/W33 + AH 24134 *轴承
| 产品名称: | 24134 CCK30/W33 + AH 24134 *轴承 | 品牌: | SKF |
|---|---|---|---|
| 类型: | SKF轴承 > 滚动轴承 > 球面滚子轴承 | ||
| 描述: | 24134 CCK30/W33 + AH 24134 *轴承是【SKF轴承 > 滚动轴承 > 球面滚子轴承】的型号,主要用在装卸搬运机械、差速器小齿轮轴、汽车发动机、小齿轮轴、印刷机械、机床主轴、矿山、薄膜拉伸、挖掘机、风力发电设备等各大领域 | ||
电话/微信:138-8949-5179
SKF 24134 CCK30/W33 + AH 24134 *轴承详细信息
24134 CCK30/W33 + AH 24134 *轴承是【SKF轴承 > 滚动轴承 > 球面滚子轴承】的型号,主要用在装卸搬运机械、差速器小齿轮轴、汽车发动机、小齿轮轴、印刷机械、机床主轴、矿山、薄膜拉伸、挖掘机、风力发电设备等各大领域。
SKF 24134 CCK30/W33 + AH 24134 *轴承详细参数
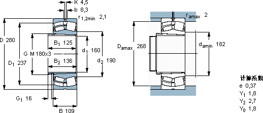
| 球面滚子轴承, 带退卸套的 | ||||||||||
| 主要数据尺寸 | 基本负荷额定值 | 疲劳负荷限值 | 额定速度 | 体积 | 型号 | |||||
| 动态 | 静态 | 参照速度 | 限制速度 | 轴承 +退卸套 | ||||||
| d1 | D | B | C | C0 | Pu | |||||
| * - SKF Explorer 轴承 | ||||||||||
| mm | kN | kN | r/min | kg | - | |||||
| 160 | 280 | 109 | 1220 | 1860 | 170 | 1300 | 1900 | 30,0 | 24134 CCK30/W33 + AH 24134 * | |
SKF 24134 CCK30/W33 + AH 24134 *轴承尺寸图纸

