轴承专区
Bearings Center
81108 TN轴承-SKF 81108 TN轴承尺寸、图纸、价格
SKF 81108 TN轴承
| 产品名称: | 81108 TN轴承 | 品牌: | SKF |
|---|---|---|---|
| 类型: | SKF轴承 > 滚动轴承 > 圆柱滚子推力轴承 | ||
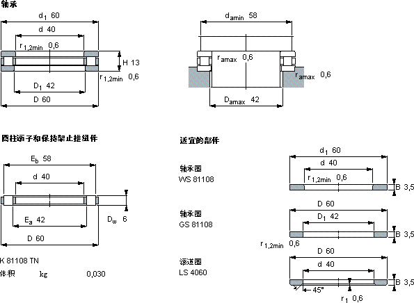
| 描述: | 81108 TN轴承是【SKF轴承 > 滚动轴承 > 圆柱滚子推力轴承】的型号,主要用在通用电动机、罗茨鼓风机、挖土机履带轮、建筑机械、减速装置、制铁制钢机械、轧钢机轧制螺杆用减速机、薄膜拉伸、堆取料机、机场加油机等各大领域 | ||
电话/微信:138-8949-5179
SKF 81108 TN轴承详细信息
81108 TN轴承是【SKF轴承 > 滚动轴承 > 圆柱滚子推力轴承】的型号,主要用在通用电动机、罗茨鼓风机、挖土机履带轮、建筑机械、减速装置、制铁制钢机械、轧钢机轧制螺杆用减速机、薄膜拉伸、堆取料机、机场加油机等各大领域。
SKF 81108 TN轴承详细参数
| 圆柱滚子推力轴承, 轴承 / 圆柱滚子和保持架止推组件 | ||||||||||||
| 主要数据尺寸 | 基本负荷额定值 | 疲劳负荷限值 | 最小负荷系数 | 额定速度 | 体积 | 型号 | ||||||
| 动态 | 静态 | 参照速度 | 限制速度 | 轴承 | 圆柱滚子和保持架止推组件 | |||||||
| d | D | H | C | C0 | Pu | A | ||||||
| mm | kN | kN | - | r/min | kg | - | ||||||
| 40 | 60 | 13 | 43 | 137 | 13,7 | 0,0015 | 2400 | 5000 | 0,11 | 81108 TN | K 81108 TN | |
SKF 81108 TN轴承尺寸图纸

