轴承专区
Bearings Center
81107 TN轴承-SKF 81107 TN轴承尺寸、图纸、价格
SKF 81107 TN轴承
| 产品名称: | 81107 TN轴承 | 品牌: | SKF |
|---|---|---|---|
| 类型: | SKF轴承 > 滚动轴承 > 圆柱滚子推力轴承 | ||
| 描述: | 81107 TN轴承是【SKF轴承 > 滚动轴承 > 圆柱滚子推力轴承】的型号,主要用在后轮、小型汽车前轮、汽车发动机、差速器、木工机械、汽车转向销、水力发电机、精细化工机械、土方机械、泥炮等各大领域 | ||
电话/微信:138-8949-5179
SKF 81107 TN轴承详细信息
81107 TN轴承是【SKF轴承 > 滚动轴承 > 圆柱滚子推力轴承】的型号,主要用在后轮、小型汽车前轮、汽车发动机、差速器、木工机械、汽车转向销、水力发电机、精细化工机械、土方机械、泥炮等各大领域。
SKF 81107 TN轴承详细参数
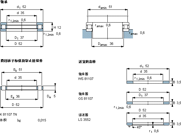
| 圆柱滚子推力轴承, 轴承 / 圆柱滚子和保持架止推组件 | ||||||||||||
| 主要数据尺寸 | 基本负荷额定值 | 疲劳负荷限值 | 最小负荷系数 | 额定速度 | 体积 | 型号 | ||||||
| 动态 | 静态 | 参照速度 | 限制速度 | 轴承 | 圆柱滚子和保持架止推组件 | |||||||
| d | D | H | C | C0 | Pu | A | ||||||
| mm | kN | kN | - | r/min | kg | - | ||||||
| 35 | 52 | 12 | 29 | 93 | 9,15 | 0,00069 | 2800 | 5600 | 0,073 | 81107 TN | K 81107 TN | |
SKF 81107 TN轴承尺寸图纸

