轴承专区
Bearings Center
RSTO 15轴承-SKF RSTO 15轴承尺寸、图纸、价格
SKF RSTO 15轴承
| 产品名称: | RSTO 15轴承 | 品牌: | SKF |
|---|---|---|---|
| 类型: | SKF轴承 > 滚动轴承 > 滚轮轴承 | ||
| 描述: | RSTO 15轴承是【SKF轴承 > 滚动轴承 > 滚轮轴承】的型号,主要用在铁路车辆、小型汽车前轮、发电机、差速器、振动筛、汽车转向销、冶炼厂、电子、掘进机、正面吊等各大领域 | ||
电话/微信:138-8949-5179
SKF RSTO 15轴承详细信息
RSTO 15轴承是【SKF轴承 > 滚动轴承 > 滚轮轴承】的型号,主要用在铁路车辆、小型汽车前轮、发电机、差速器、振动筛、汽车转向销、冶炼厂、电子、掘进机、正面吊等各大领域。
SKF RSTO 15轴承详细参数
| 不带法兰圈支承滚子,无内圈 | |||||||||||
| 尺寸 | 基本负荷额定值 | 疲劳限值 | 最大径向负荷 | 限制速度 | 体积 | 型号 | |||||
| 动态 | 静态 | 动态 | 静态 | ||||||||
| D | Fw | C | C | C0 | Pu | Fr | F0r | ||||
| mm | kN | kN | kN | r/min | kg | - | |||||
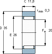
| 35 | 20 | 11,8 | 9,13 | 10,6 | 1,27 | 7,1 | 10 | 5000 | 0,05 | RSTO 15 | |
SKF RSTO 15轴承尺寸图纸

