李工:138-8949-5179 刘工:135-0428-8802
型号查询
轴承型号   常见搜索: 6020轴承 6030轴承 6014轴承 6026轴承 6022轴承 23136轴承
型号查询 X

轴承专区

Bearings Center

SIJ 100 ES轴承-SKF SIJ 100 ES轴承尺寸、图纸、价格

SKF SIJ 100 ES轴承

产品名称:SIJ 100 ES轴承 品牌:SKF
类型:SKF轴承 > 球面滑动轴承和杆端关节轴承 > 需维护的杆端关节轴承
描述:SIJ 100 ES轴承是【SKF轴承 > 球面滑动轴承和杆端关节轴承 > 需维护的杆端关节轴承】的型号,主要用在农业机械、燃料喷射泵、中型及大型电动机、齿轮减速装置、铁路车辆车轴、起重机吊钩、钢铁厂、音像设备、专用车、机场加油机等各大领域

 电话/微信:138-8949-5179

SKF SIJ 100 ES轴承详细信息

SIJ 100 ES轴承是【SKF轴承 > 球面滑动轴承和杆端关节轴承 > 需维护的杆端关节轴承】的型号,主要用在农业机械、燃料喷射泵、中型及大型电动机、齿轮减速装置、铁路车辆车轴、起重机吊钩、钢铁厂、音像设备、专用车、机场加油机等各大领域。

SKF SIJ 100 ES轴承详细参数

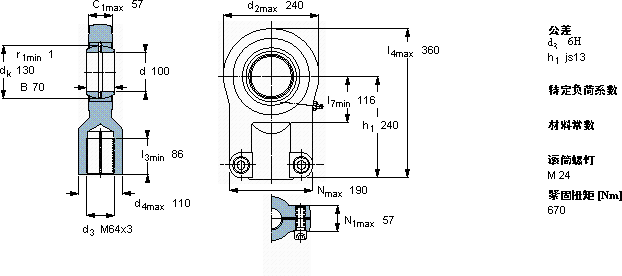
需要维护的杆端, 钢对钢,阴螺纹,用于液压滚筒
主要数据尺寸角度倾的基本负荷额定值质量型号
动态静态杆端带右旋螺纹
dd2Bd3C1h1±CC0
6H
mm度数kNkg-
10024070M64x357240361078026,0SIJ 100 ES

SKF SIJ 100 ES轴承尺寸图纸

李工:138-8949-5179

刘工:135-0428-8802

地址:辽宁省大连经济技术开发区现代城3栋-13-13号

在线客服系统