李工:138-8949-5179 刘工:135-0428-8802
型号查询
轴承型号   常见搜索: 6026轴承 6011轴承 6021轴承 6205轴承 6010轴承 6008轴承
型号查询 X

轴承专区

Bearings Center

SIJ 20 ES轴承-SKF SIJ 20 ES轴承尺寸、图纸、价格

SKF SIJ 20 ES轴承

产品名称:SIJ 20 ES轴承 品牌:SKF
类型:SKF轴承 > 球面滑动轴承和杆端关节轴承 > 需维护的杆端关节轴承
描述:SIJ 20 ES轴承是【SKF轴承 > 球面滑动轴承和杆端关节轴承 > 需维护的杆端关节轴承】的型号,主要用在后轮、燃料喷射泵、燃汽轮机、齿轮减速装置、木工机械、起重机吊钩、水力发电机、精细化工机械、强夯机、泥炮等各大领域

 电话/微信:138-8949-5179

SKF SIJ 20 ES轴承详细信息

SIJ 20 ES轴承是【SKF轴承 > 球面滑动轴承和杆端关节轴承 > 需维护的杆端关节轴承】的型号,主要用在后轮、燃料喷射泵、燃汽轮机、齿轮减速装置、木工机械、起重机吊钩、水力发电机、精细化工机械、强夯机、泥炮等各大领域。

SKF SIJ 20 ES轴承详细参数

需要维护的杆端, 钢对钢,阴螺纹,用于液压滚筒
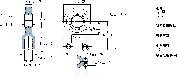
主要数据尺寸角度倾的基本负荷额定值质量型号
动态静态杆端带右旋螺纹
dd2Bd3C1h1±CC0
6H
mm度数kNkg-
205516M14x1,5135833042,50,43SIJ 20 ES

SKF SIJ 20 ES轴承尺寸图纸

李工:138-8949-5179

刘工:135-0428-8802

地址:辽宁省大连经济技术开发区现代城3栋-13-13号

在线客服系统