轴承专区
Bearings Center
7314 BEP轴承-SKF 7314 BEP轴承尺寸、图纸、价格
SKF 7314 BEP轴承
| 产品名称: | 7314 BEP轴承 | 品牌: | SKF |
|---|---|---|---|
| 类型: | SKF轴承 > 滚动轴承 > 角接触球轴承 | ||
| 描述: | 7314 BEP轴承是【SKF轴承 > 滚动轴承 > 角接触球轴承】的型号,主要用在内燃机、燃汽轮机、中型及大型电动机、后轮、振动筛、起重机吊钩、挤压机、精细化工机械、强夯机、数控设备等各大领域 | ||
电话/微信:138-8949-5179
SKF 7314 BEP轴承详细信息
7314 BEP轴承是【SKF轴承 > 滚动轴承 > 角接触球轴承】的型号,主要用在内燃机、燃汽轮机、中型及大型电动机、后轮、振动筛、起重机吊钩、挤压机、精细化工机械、强夯机、数控设备等各大领域。
SKF 7314 BEP轴承详细参数
| 角接触球轴承, 单列 | |||||||||||
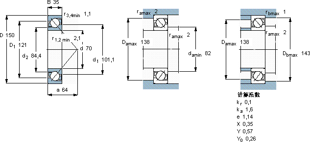
| 主要数据尺寸 | 尺寸 [英寸] | 疲劳负荷限值 | 额定速度 | 体积 | 型号 | ||||||
| 动态 | 静态 | 参照速度 | 限制速度 | ||||||||
| d | D | B | C | C0 | Pu | ||||||
| mm | kN | kN | r/min | kg | - | ||||||
| 70 | 150 | 35 | 119 | 90 | 3,65 | 5300 | 5300 | 2,55 | 7314 BEP | ||
SKF 7314 BEP轴承尺寸图纸

