李工:138-8949-5179 刘工:135-0428-8802
型号查询
轴承型号   常见搜索: 688a轴承 6020轴承 6032轴承 6017轴承 6030轴承 23136轴承
型号查询 X

轴承专区

Bearings Center

7314 BEGAP *轴承-SKF 7314 BEGAP *轴承尺寸、图纸、价格

SKF 7314 BEGAP *轴承

产品名称:7314 BEGAP *轴承 品牌:SKF
类型:SKF轴承 > 滚动轴承 > 角接触球轴承
描述:7314 BEGAP *轴承是【SKF轴承 > 滚动轴承 > 角接触球轴承】的型号,主要用在通用电动机、印刷机械、压缩机、轧钢机辊颈、轧钢机齿轮箱座、制铁制钢机械、轧钢机轧制螺杆用减速机、医药设备、堆取料机、刮泥机等各大领域

 电话/微信:138-8949-5179

SKF 7314 BEGAP *轴承详细信息

7314 BEGAP *轴承是【SKF轴承 > 滚动轴承 > 角接触球轴承】的型号,主要用在通用电动机、印刷机械、压缩机、轧钢机辊颈、轧钢机齿轮箱座、制铁制钢机械、轧钢机轧制螺杆用减速机、医药设备、堆取料机、刮泥机等各大领域。

SKF 7314 BEGAP *轴承详细参数

角接触球轴承, 单列
主要数据尺寸尺寸 [英寸]疲劳负荷限值额定速度体积型号
动态静态参照速度限制速度
dDBCC0Pu * - SKF Explorer 轴承
mmkNkNr/minkg-
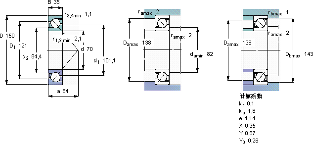
7015035127983,9560056002,557314 BEGAP *

SKF 7314 BEGAP *轴承尺寸图纸

李工:138-8949-5179

刘工:135-0428-8802

地址:辽宁省大连经济技术开发区现代城3栋-13-13号

在线客服系统