轴承专区
Bearings Center
7313 BECBJ轴承-SKF 7313 BECBJ轴承尺寸、图纸、价格
SKF 7313 BECBJ轴承
| 产品名称: | 7313 BECBJ轴承 | 品牌: | SKF |
|---|---|---|---|
| 类型: | SKF轴承 > 滚动轴承 > 角接触球轴承 | ||
| 描述: | 7313 BECBJ轴承是【SKF轴承 > 滚动轴承 > 角接触球轴承】的型号,主要用在各种产业机械、高频马达、燃汽轮机、前轮、各类产业用减速机、机床主轴、发电厂、医药设备、挖掘机、冶金起重机等各大领域 | ||
电话/微信:138-8949-5179
SKF 7313 BECBJ轴承详细信息
7313 BECBJ轴承是【SKF轴承 > 滚动轴承 > 角接触球轴承】的型号,主要用在各种产业机械、高频马达、燃汽轮机、前轮、各类产业用减速机、机床主轴、发电厂、医药设备、挖掘机、冶金起重机等各大领域。
SKF 7313 BECBJ轴承详细参数
| 角接触球轴承, 单列 | |||||||||||
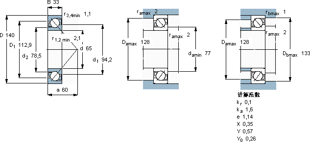
| 主要数据尺寸 | 尺寸 [英寸] | 疲劳负荷限值 | 额定速度 | 体积 | 型号 | ||||||
| 动态 | 静态 | 参照速度 | 限制速度 | ||||||||
| d | D | B | C | C0 | Pu | ||||||
| mm | kN | kN | r/min | kg | - | ||||||
| 65 | 140 | 33 | 108 | 80 | 3,35 | 5600 | 5600 | 2,20 | 7313 BECBJ | ||
SKF 7313 BECBJ轴承尺寸图纸

