轴承专区
Bearings Center
53415 M轴承-SKF 53415 M轴承尺寸、图纸、价格
SKF 53415 M轴承
| 产品名称: | 53415 M轴承 | 品牌: | SKF |
|---|---|---|---|
| 类型: | SKF轴承 > 滚动轴承 > 推力球轴承 | ||
| 描述: | 53415 M轴承是【SKF轴承 > 滚动轴承 > 推力球轴承】的型号,主要用在农业机械、燃料喷射泵、中型及大型电动机、齿轮减速装置、铁路车辆车轴、起重机吊钩、钢铁厂、塑料、强夯机、机场加油机等各大领域 | ||
电话/微信:138-8949-5179
SKF 53415 M轴承详细信息
53415 M轴承是【SKF轴承 > 滚动轴承 > 推力球轴承】的型号,主要用在农业机械、燃料喷射泵、中型及大型电动机、齿轮减速装置、铁路车辆车轴、起重机吊钩、钢铁厂、塑料、强夯机、机场加油机等各大领域。
SKF 53415 M轴承详细参数
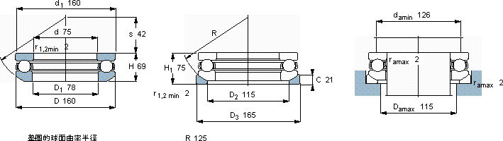
| 推力球轴承, 单向,带球面轴承座垫圈 | ||||||||||||
| 主要数据尺寸 | 基本负荷额定值 | 疲劳负荷限值 | 最小负荷系数 | 额定速度 | 体积 | 型号 | ||||||
| 动态 | 静态 | 参照速度 | 限制速度 | 轴承 +垫圈 | 轴承 | 基座垫圈 | ||||||
| d | D | H1 | C | C0 | Pu | A | ||||||
| mm | kN | kN | - | r/min | kg | - | ||||||
| 75 | 160 | 75 | 251 | 610 | 20,8 | 1,9 | 1300 | 1800 | 8,10 | 53415 M | U 415 | |
SKF 53415 M轴承尺寸图纸

