李工:138-8949-5179 刘工:135-0428-8802
型号查询
轴承型号   常见搜索: 71913轴承 6014轴承 *轴承 6008轴承 2025轴承 6026轴承
型号查询 X

轴承专区

Bearings Center

7308 BEGAP *轴承-SKF 7308 BEGAP *轴承尺寸、图纸、价格

SKF 7308 BEGAP *轴承

产品名称:7308 BEGAP *轴承 品牌:SKF
类型:SKF轴承 > 滚动轴承 > 角接触球轴承
描述:7308 BEGAP *轴承是【SKF轴承 > 滚动轴承 > 角接触球轴承】的型号,主要用在变速器、印刷机械、压缩机、轧钢机辊颈、印刷机械、石油钻机转环、立式电动机、烟草机械、凿岩机械、吹氧装置等各大领域

 电话/微信:138-8949-5179

SKF 7308 BEGAP *轴承详细信息

7308 BEGAP *轴承是【SKF轴承 > 滚动轴承 > 角接触球轴承】的型号,主要用在变速器、印刷机械、压缩机、轧钢机辊颈、印刷机械、石油钻机转环、立式电动机、烟草机械、凿岩机械、吹氧装置等各大领域。

SKF 7308 BEGAP *轴承详细参数

角接触球轴承, 单列
主要数据尺寸尺寸 [英寸]疲劳负荷限值额定速度体积型号
动态静态参照速度限制速度
dDBCC0Pu * - SKF Explorer 轴承
mmkNkNr/minkg-
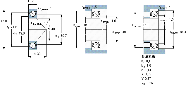
4090235032,51,3710000100000,617308 BEGAP *

SKF 7308 BEGAP *轴承尺寸图纸

李工:138-8949-5179

刘工:135-0428-8802

地址:辽宁省大连经济技术开发区现代城3栋-13-13号

在线客服系统